欢迎访问江苏三机环保工程设备有限公司的官网!
今天是:
 

格栅系列设备

输送/压榨系列设备

除砂系列设备

闸门、启闭机系列设备

刮/吸泥机、浓缩机系列设备

滗水器设备

曝气设备系列

污泥脱水、加药、搅拌设备系列

转盘过滤器等设备系列

水质净化系列设备

消毒设备系列

化水、除盐水等系列设备

 
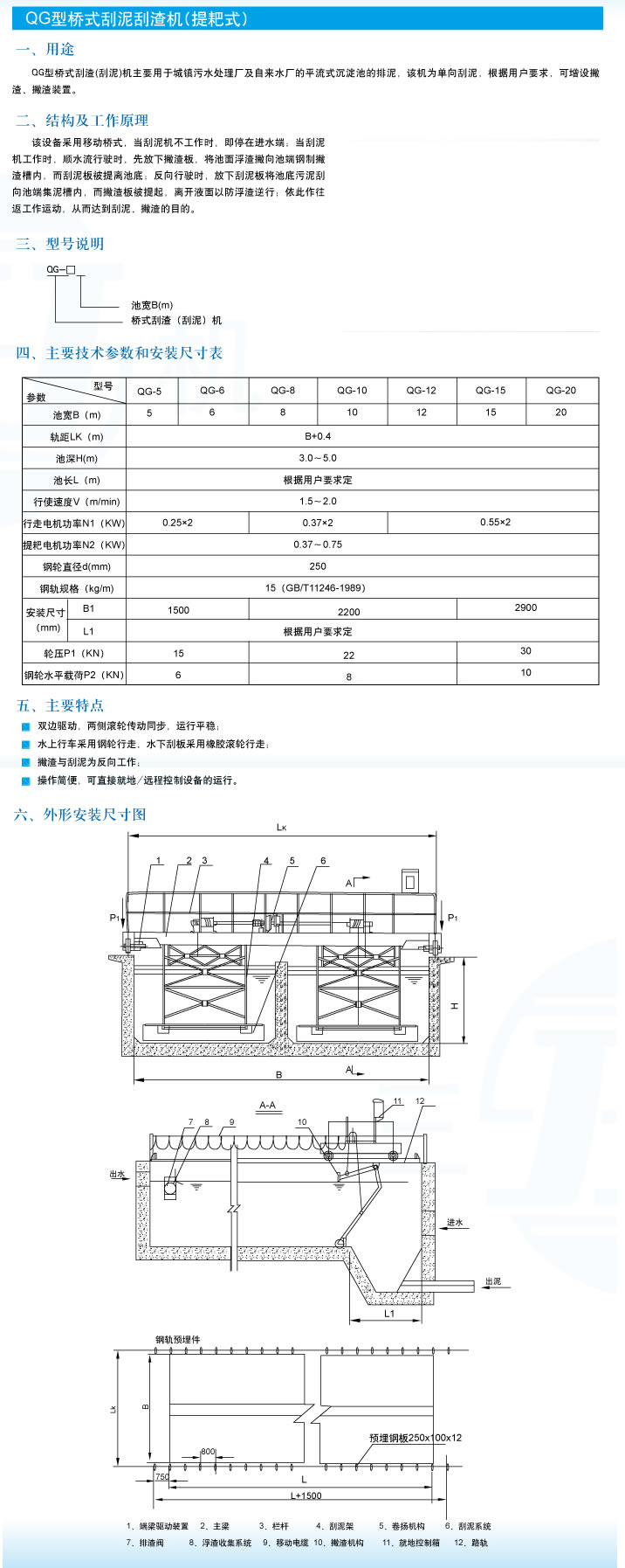
  QG型桥式刮泥刮渣机(提耙式)
已阅:3600  发布时间:2014/5/15 8:41:36
 
 
0510-87847333 / 87847338
yxsjhb2008@163.com
江苏宜兴市和桥镇中巷村工业集中区创业大道2号
Copyrights (c) 2005-2026江苏三机环保工程设备有限公司 All Rights Reservered. 苏ICP备20023172号-1 苏公网安备32028202231007号